Cub Cadet Rzt Wiring : Cub Cadet Lt1050 Wiring Diagram Wiring Site Resource : 1204 yesterday for cheap, to use with my mow & vac.

Cub Cadet Rzt Wiring : Cub Cadet Lt1050 Wiring Diagram Wiring Site Resource : 1204 yesterday for cheap, to use with my mow & vac.. Hydro zero turn mower with lap bar control form number. • one tractor operator's manual • one engine operator's manual • one hardware pack. Disconnect electrical connector between the tank and the engine to allow room for the tank to slide out. Cub cadet is an american enterprise that manufacture law and garden and a full line of outdoor power equipment and services. To obtain warranty coverage owner must present.

Summary of contents for cub cadet rzt 50. Cub cadet rzt zero turn mower parts. View cub cadet rzt 50 documents online or download in pdf. Mowers equipped with a 48. Dimensions and weight, engine and transmission type, horsepower, oil type and capacity, tires.

Rzt Cub Cadet Wiring Diagram 2003 Grand Marquis Wiring Diagram For Wiring Diagram Schematics
Rzt Cub Cadet Wiring Diagram 2003 Grand Marquis Wiring Diagram For Wiring Diagram Schematics from static-resources.imageservice.cloud
• one rzt l tractor • one oil drain tube • one deck wash hose coupler. Disconnect electrical connector between the tank and the engine to allow room for the tank to slide out. Nice ebook you must read is wiring diagram for cub cadet rzt 50. Cub cadet rzt zero turn mower parts. 1) for free in pdf. Can anyone tell me if the the color coded wiring schematic is in the oem service manual.?? Technology has developed, and reading cub cadet rzt wiring diagram 2006 books may be more convenient and much easier. As stated previous, the lines at a cub cadet rzt 50 wiring diagram represents wires.

2.before cleaning, repairing, or inspecting, make certain the blade(s) and all moving parts have stopped.

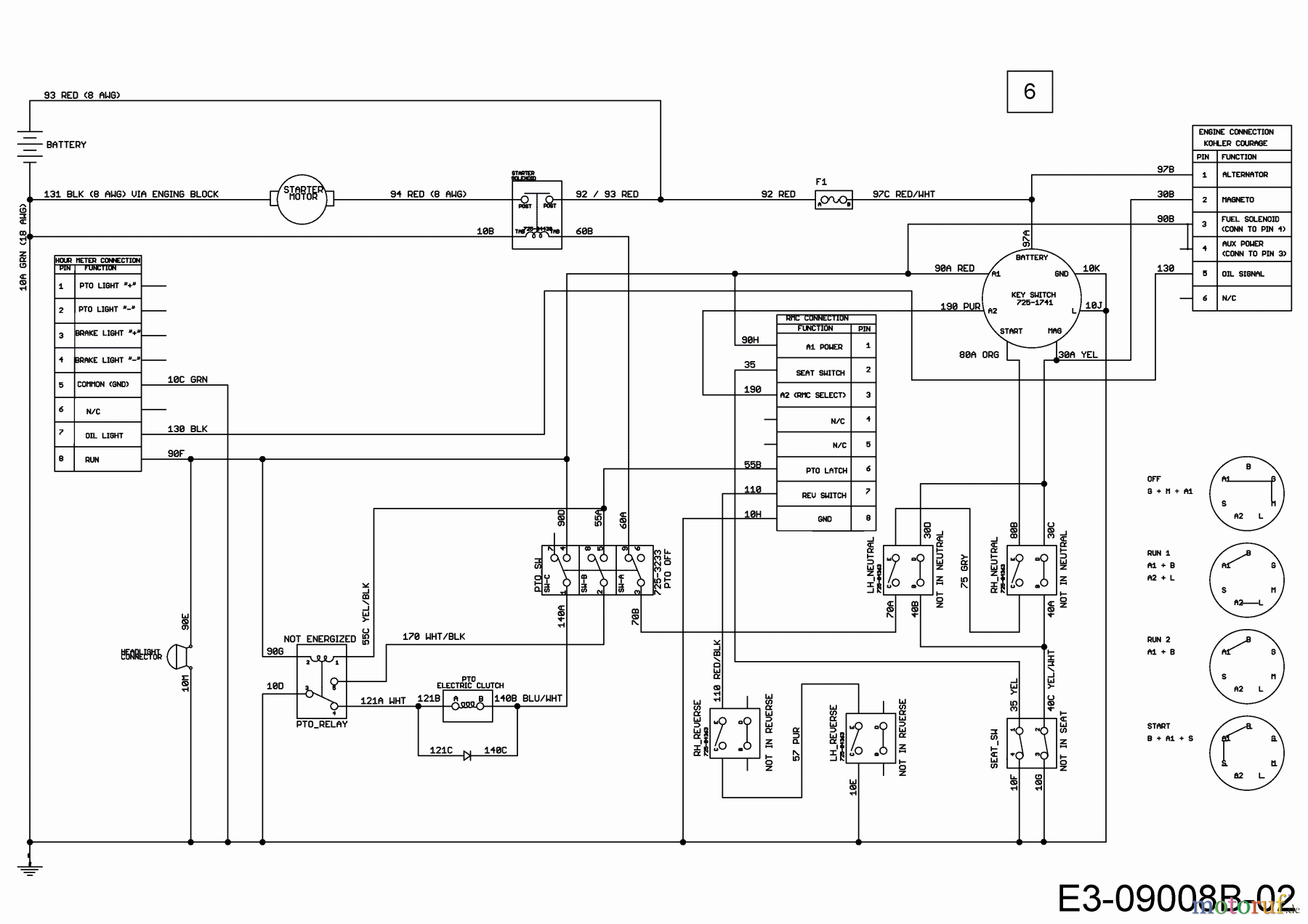
Occasionally, the cables will cross. • one rzt l tractor • one oil drain tube • one deck wash hose coupler. Technology has developed, and reading wiring diagram for cub cadet rzt 50 books could be more convenient and much easier. We are able to read books on the mobile, tablets and kindle, etc. Technology has developed, and reading cub cadet rzt wiring diagram 2006 books may be more convenient and much easier. The advice and suggestions which. Rzt series tractor w/50'' mower deck. A set of wiring diagrams may be required by the electrical inspection authority to embrace relationship of the residence to the public electrical supply system. We are able to read. We have all the manual for you to successfully repair your tractor which. 50 cub cadet rzt l 54 parts diagram sp9p. Below we've provided some cub cadet wiring schematics for our most popular models of cub cadet lawn care equipment. Also save on mtd parts, and troy bilt parts and kohler engine parts.

Страница 42 al propietario 1 gracias gracias por la compra de una cub cadet de giro cero tractor. Find more compatible user manuals for rzt series lawn if you already bought a cub cadet rzt series or just going to purchase it, it will be very useful to familiarize yourself with the instructions for its useing and. 1204 yesterday for cheap, to use with my mow & vac. Free download of cub cadet rzt 46 manuals is available on onlinefreeguides.com. Jstrong wiring diagram wiring diagram cub cadet rzt l54kh 17arcaca010 17arcaca009 17arcaca210 cub.

Rf 1418 Rzt Cub Cadet Wiring Diagram Schematic Wiring
Rf 1418 Rzt Cub Cadet Wiring Diagram Schematic Wiring from static-cdn.imageservice.cloud
Cub cadet rzt 50 review and specifications: Also save on mtd parts, and troy bilt parts and kohler engine parts. All versions of the cub cadet rzt (and white zt) are bagger capable. Cub cadet commercial products are intended for professional use. We have 853 cub cadet manuals covering 402 products available for immediate pdf download. Please see the operator's manual and the warning labels posted on the vehicle itself for more details. Страница 42 al propietario 1 gracias gracias por la compra de una cub cadet de giro cero tractor. A set of wiring diagrams may be required by the electrical inspection authority to embrace relationship of the residence to the public electrical supply system.

Disconnect electrical connector between the tank and the engine to allow room for the tank to slide out.

Page 1 federal laws apply on federal lands, a spark arrester for the muffler is available through. Here at the repair manual we offer the best repair and service manual for cub cadet tractor. Cub cadet rzt l 50 in 23 hp kohler v twin dual. Free download of cub cadet rzt 46 manuals is available on onlinefreeguides.com. The correct deck pitch should be 1/8 to 1/4 lower in the front than in the back, as. Cub cadet rzt 50 safety switch diagram. Summary of contents for cub cadet rzt 50. Disconnect electrical connector between the tank and the engine to allow room for the tank to slide out. Cub cadet rzt 50 wiring diagram. Please see the operator's manual and the warning labels posted on the vehicle itself for more details. Wiring diagrams will in addition to. View and download cub cadet rzt 50 operator's manual online. Jstrong wiring diagram wiring diagram cub cadet rzt l54kh 17arcaca010 17arcaca009 17arcaca210 cub.

Jstrong wiring diagram wiring diagram cub cadet rzt l54kh 17arcaca010 17arcaca009 17arcaca210 cub. Nice ebook you must read is wiring diagram for cub cadet rzt 50. Can anyone tell me if the the color coded wiring schematic is in the oem service manual.?? Cub cadet lawn mower, cub cadet rzt 46. 2.before cleaning, repairing, or inspecting, make certain the blade(s) and all moving parts have stopped.

1863 Cub Tractor Wiring Diagram Add Wiring Diagrams Area
1863 Cub Tractor Wiring Diagram Add Wiring Diagrams Area from static-resources.imageservice.cloud
Cub cadet rzt zero turn mower parts. Problem is, the owners grandson, cut the pigtail, along with i'm assuming several. We are able to read books on the mobile, tablets and kindle, etc. Cub cadet rzt 50 wiring diagram. Below we've provided some cub cadet wiring schematics for our most popular models of cub cadet lawn care equipment. View and download cub cadet rzt 50 operator's manual online. Cub cadet rzt 50 safety switch diagram. Cub cadet lawn mower, cub cadet rzt 46.

We have 853 cub cadet manuals covering 402 products available for immediate pdf download.

Technology has developed, and reading wiring diagram for cub cadet rzt 50 books could be more convenient and much easier. Cub cadet rzt 50 wiring diagram. We have all the manual for you to successfully repair your tractor which. Please see the operator's manual and the warning labels posted on the vehicle itself for more details. Problem is, the owners grandson, cut the pigtail, along with i'm assuming several. Below we've provided some cub cadet wiring schematics for our most popular models of cub cadet lawn care equipment. 2.before cleaning, repairing, or inspecting, make certain the blade(s) and all moving parts have stopped. Cub cadet lawn mower, cub cadet rzt 46. Disconnect the spark plug wire(s) and ground against the engine to prevent unintended starting. Browse cub cadet pdf manuals and user guides available for free download. We are able to read books on the mobile, tablets and kindle, etc. Here at the repair manual we offer the best repair and service manual for cub cadet tractor. Can anyone tell me if the the color coded wiring schematic is in the oem service manual.??

Posting Komentar

0 Komentar